

GC5-400A捆綁式觸頭
安裝示意圖 結構特點
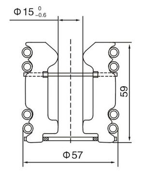
VS1、VD4西(xī)門子斷路器及手車櫃圓形捆(kǔn)綁式觸頭安裝示意(yì)圖
■環狀彈簧壓力均勻
■采用進口無磁不鏽鋼(gāng)材料,避免渦流
■刷鍍厚銀,抗磨力強
■防變色處理,避免銀層氧化脫落
■靜觸(chù)頭插入深度參(cān)考尺寸:34±2mm
上海十大黄软件免费最新版下载電氣成立於(yú)2011年,注冊(cè)於素有“國際花(huā)園城市”美譽的鬆江區。經(jīng)過多年的發展,公司過(guò)硬(yìng)的產品,出(chū)色的服務,一(yī)流品的牌形象,贏得(dé)了廣大用戶的長久青睞。...了解更多>>
上海十大黄软件免费最新版下载電氣有限公司
泖港鎮中民路559弄1號(hào)
電話:+86-021-67752215
全國統一客服(fú)熱線:400-820-7720
網址:www.hnrzt.com